photo4u.it

Iniziative in corso che potrebbero interessarti:
Votazione - La nostra foto migliore del 2025

Nanometric puzzle
Nanometric puzzle
Nanometric puzzle
Nanometric puzzle
di melGio
Gio 14 Giu, 2007 6:05 pm
Viste: 277
Autore Messaggio
melGio
nuovo utente


Iscritto: 13 Giu 2007
Messaggi: 49
Località: Gagliano del Capo, Lecce

MessaggioInviato: Gio 14 Giu, 2007 6:08 pm    Oggetto: Nanometric puzzle Rispondi con citazione

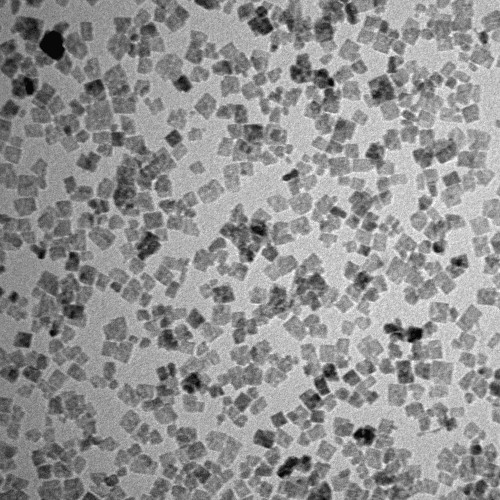
Ciao a tutti, mi presento. Sono Gio e di fotografia non ne capisco un tubo... perciò vi mostro cosa si può fotografare con un TEM: pensate, uno di quei cubetti a confronto con un granellino di sabbia è come una goccia d'acqua in una piscina.
Massacratemi pure.... la mia ignoranza in quanto a tecnica fotografica è grande quanto quel granellino di sabbia rispetto ad una dei "miei cubetti". Spero almeno che il soggetto sia affascinante.
Vai ad inizio pagina
Vai a fine pagina
Mostra il profilo utente Galleria utente Invia un messaggio privato   Bacheca utente
TestaPazza
utente attivo


Iscritto: 07 Ott 2006
Messaggi: 11514
Località: Nicolosi (CT)

MessaggioInviato: Gio 14 Giu, 2007 6:41 pm    Oggetto: Rispondi con citazione

Benvenuto.

beh, sulla foto che dire...non la capisco, il soggetto non si intuisce

_________________
Ultima foto a commento: Street & Life - Roma - 17-3-2012
Vai ad inizio pagina
Vai a fine pagina
Mostra il profilo utente Galleria utente Invia un messaggio privato [ Nascosto ] Visita il sito di chi scrive Bacheca utente
ZioMauri29
utente attivo


Iscritto: 06 Dic 2005
Messaggi: 22539
Località: Novara - Milano

MessaggioInviato: Gio 14 Giu, 2007 7:01 pm    Oggetto: Rispondi con citazione

Ciao Gio..

ma per TEM dunque intendi un Microscopio Elettronico a Trasmissione...

come questo?

A me è sempre piaciuto l'infinitamente piccolo della materia..

e se ogni ''uno di quei cubetti a confronto con un granellino di sabbia è come una goccia d'acqua in una piscina''.. beh, allora non oso dubitare delle reali dimensioni..

Ma di cosa si tratta, nello specifico?

Per me, comunque, è un buon biglietto da visita..

Potresti farci vedere foto che difficilmente ad occhi nudo potremmo ammirare...!

Smile

_________________
[size=10]Maurizio - Sono Qui Per Imparare..
Vai ad inizio pagina
Vai a fine pagina
Mostra il profilo utente Galleria utente Invia un messaggio privato   Visita il sito di chi scrive Bacheca utente
Schicchi
utente attivo


Iscritto: 12 Set 2006
Messaggi: 4272
Località: Mi manca Roma... azz

MessaggioInviato: Gio 14 Giu, 2007 7:12 pm    Oggetto: Rispondi con citazione

interessante...

alfredo

_________________
"Non basta guardare, occorre guardare con occhi che vogliono vedere, che credono in quello che vedono."
Io sono la speranza dei miei figli... Nel mio sonno ho dimenticato i loro pianti. (Anonimo, Consonno)
Sito Ufficiale: Indipendentemente.org - Galleria non ufficiale: "QUI" - Last Reportage: "QUI"
Vai ad inizio pagina
Vai a fine pagina
Mostra il profilo utente Galleria utente Invia un messaggio privato   Visita il sito di chi scrive Bacheca utente
TestaPazza
utente attivo


Iscritto: 07 Ott 2006
Messaggi: 11514
Località: Nicolosi (CT)

MessaggioInviato: Gio 14 Giu, 2007 7:49 pm    Oggetto: Rispondi con citazione

mi correggo, non avevo capito di cosa si trattasse. sostanzialmente è un po' un esperimento
_________________
Ultima foto a commento: Street & Life - Roma - 17-3-2012
Vai ad inizio pagina
Vai a fine pagina
Mostra il profilo utente Galleria utente Invia un messaggio privato [ Nascosto ] Visita il sito di chi scrive Bacheca utente
cotrino
utente


Iscritto: 10 Gen 2007
Messaggi: 128
Località: Bologna

MessaggioInviato: Gio 14 Giu, 2007 10:24 pm    Oggetto: Rispondi con citazione

...boh!
Forse un composito in matrice metallica o una superlega base titanio o cromo
ma non mi tornano un pò di cose e senza una tacca per capire a che unità di misura ci si stà riferendo nn sò proprio.

Dai, dicci cos'è!

_________________
Beh!..Io ci provo!
Vai ad inizio pagina
Vai a fine pagina
Mostra il profilo utente Galleria utente Invia un messaggio privato   Bacheca utente
melGio
nuovo utente


Iscritto: 13 Giu 2007
Messaggi: 49
Località: Gagliano del Capo, Lecce

MessaggioInviato: Ven 15 Giu, 2007 9:29 am    Oggetto: Rispondi con citazione

Ciao ragazzi, sono contenta che "i miei cubettti" (io li chiamo affettuosamente così) abbiano ispirato la vostra curiosità scientifica. Comunque bravi Ok! ; bravo zioMauri che si è informato su cosa fosse un TEM: è un microscopio a trasmissione elettronica, molto più potente dei microscopi ottici tradizionali. Quello che ho usato io, pensate, è anche a bassa risoluzione. Le dimensioni dei miei cubetti sono circa 15-20 nm di lato. Bravo anche cotrino che ha cercato di indovinare di cosa fossero fatti: è ossido di titanio nanocristallino (una struttura estremamente ordinata). Spero di aver fugato alcuni dei vostri dubbi. Grazie a tutti per essere intervenuti.
Smile Alla prossima.
Vai ad inizio pagina
Vai a fine pagina
Mostra il profilo utente Galleria utente Invia un messaggio privato   Bacheca utente
dino1
utente attivo


Iscritto: 13 Mar 2007
Messaggi: 2794
Località: Salorno (bz)

MessaggioInviato: Gio 21 Giu, 2007 11:00 pm    Oggetto: Rispondi con citazione

ma noooooo!!!! quando l'avevo vista l'altra volta non avevo tempo di leggere i commenti mi sembrava una piastrella di graniglia e l'ò saltata
ma la curiosità non è solo donna e allora ci torno su per vedere la banalità della piastrella e mi ritrovo non una foto ma la macroscopio Crying or Very sad

e poi vai a fidarti di quello che pensi di vedere Ok!

viste le gigantesche LOL dimensioni Ave
Vai ad inizio pagina
Vai a fine pagina
Mostra il profilo utente Galleria utente Invia un messaggio privato   Bacheca utente
melGio
nuovo utente


Iscritto: 13 Giu 2007
Messaggi: 49
Località: Gagliano del Capo, Lecce

MessaggioInviato: Ven 22 Giu, 2007 2:58 pm    Oggetto: Rispondi con citazione

dino1 ha scritto:
ma noooooo!!!! quando l'avevo vista l'altra volta non avevo tempo di leggere i commenti mi sembrava una piastrella di graniglia e l'ò saltata
ma la curiosità non è solo donna e allora ci torno su per vedere la banalità della piastrella e mi ritrovo non una foto ma la macroscopio Crying or Very sad

e poi vai a fidarti di quello che pensi di vedere Ok!

viste le gigantesche LOL dimensioni Ave


Smile non potevo comiciare con qualcosa di banale!!!!!
Vai ad inizio pagina
Vai a fine pagina
Mostra il profilo utente Galleria utente Invia un messaggio privato   Bacheca utente
Mostra i messaggi a partire da:   

 
Vai a:  



Tutti i contenuti presenti sul sito sono di proprieta' esclusiva degli autori, sono vietate la riproduzione e la distribuzione degli stessi senza previa esplicita autorizzazione.

Visualizza la policy con cui vengono gestiti i cookie.

© 2003, 2016 photo4u.it - contatti - based on phpBB - Andrea Giorgi